electronique:soundplayerng_schema.png

soundplayerng_schema.png

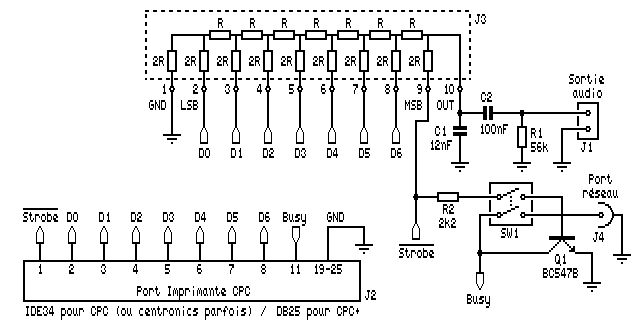
← Retour à Les Soundplayers

Nom de fichier:
soundplayerng_schema.png
Format:
PNG
Taille:
12KB